
17c嫩嫩草色视频官方版精密數控刀具(深圳)有限(xiàn)公(gōng)司
聯(lián)係人:尹小姐
手(shǒu)機:13428762476
電話:0755-21033436
傳真:0755-21033435
郵箱:joyce@bzlsyt.com
網址:www.bzlsyt.com
深(shēn)圳市龍華區大浪街道同勝社區上橫朗第四工(gōng)業區3號(hào)103
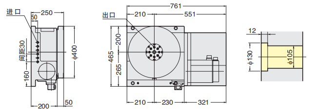
日研機床(chuáng)組合專用CNC數控(kòng)分度轉台 CNC401H



★1超精密分度(dù)盤(pán)齧(niè)合時相對於切削推力的值
★2立式(shì)使用情況下(xià),雙中心支承時夾具和工(gōng)件的(de)不平衡載荷值。因使用電機而異(yì),
★NSVZ係列是分度型,可進行以(yǐ)1°為單位的分度。
★NSVX係列是旋轉(zhuǎn)分(fèn)度型,其超精(jīng)密(mì)分度盤能以1°為(wéi)單位進行高精度、高剛性分度;也能(néng)以0.001°為單位進行分度及連(lián)續切削(xuē),是新一代的數控分度(dù)轉台。用於分度型和用於旋轉分(fèn)度(dù)型時,
控製方(fāng)法各不相(xiàng)同。請另行谘詢。※標記分度型的分度精度為±2秒
供油壓力3.5MPa。
★分度轉台請在分度後夾緊的狀態下進行定心作業。
★NSVZ180、NSVZ300上可安裝aiF4/4000
★在無液(yè)壓源的機器上使用NSVZ180、NSVZ300時須外置的(de)空壓、液壓増(zēng)壓器請另行谘詢。